Anwendungsbeispiel mit Pivota 42
Anwendungsbeispiel mit Pivota 42 Pivota Side-Stands Anwendungsbeispiel mit Pivota 42

Pivota Side-Stands

Lieferzeit
3-5 Werktage
300,00 €
Verfügbarkeit:
Auf Lager
  • Pivota Side-Stands black
  • Set für 1 Paar Pivota 42
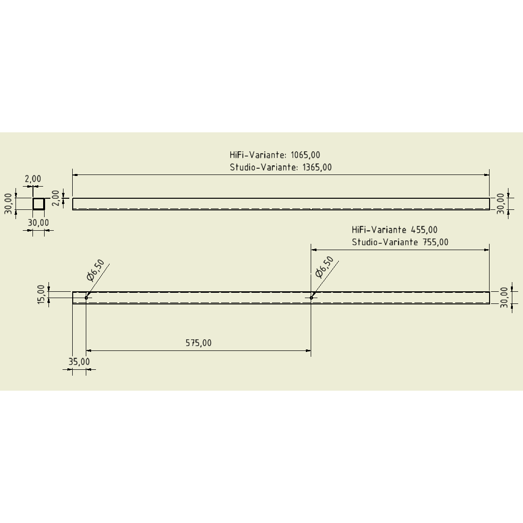
  • Erhätlich in zwei Längen:
    • "HiFi" = Kurze Version, Hochtönerhöhe: 99,7 cm
    • "Studio" = Lange Version, Hochtönerhöhe: 129,7 cm
  • bestehend aus 8x Vierkantrohr, schwarz beschichtet
  • Endkappen mit Justierfunktion und Schraubensatz
  • Lange Version: Versandgewicht 19,2 kg, Kartonabmessungen: 1440 x 115 x 115 mm
Produktinfo als PDF Produktinfo als PDF